تصفح الكمية:0 الكاتب:محرر الموقع نشر الوقت: 2023-05-23 المنشأ:محرر الموقع
تسمى اللوحة المبردة بالماء أيضًا بالوعة الحرارة بالماء البارد. يتم استخدامه عادةً على بعض الأجهزة عالية الطاقة لتشغيل تأثير جيد جدًا في تبديد الحرارة. بالنسبة لبعض الاتصالات اليومية، مثل المعدات الطبية، والمعدات الإلكترونية، والمعدات الصناعية، والمعدات العسكرية، والليزر، سيتم استخدام لوحات مبردة بالماء. هل تعرف العمليات التي تتم إذا كنت تريد تخصيص لوحة مبردة بالماء مناسبة لمنتجاتك الخاصة؟
1. أنبوب تبريد المياه المدفون + وصلة الأنابيب

2. الملف الشخصي الضغط على أنبوب تبريد المياه + اللحام

3. الآلة بالإضافة إلى تشكيل الأنبوب المبرد بالماء + اللحام

4. أنبوب تبريد الماء من نوع الصب + اللحام

يقدم العملاء الرسومات والمتطلبات للبيانات التفصيلية مثل المواصفات الأساسية لتسخين المنتج، وقوة تبديد الحرارة، وبيئة العمل من أجل الفهم الكامل لفريق البحث والتطوير لدينا.
الأوصاف الفنية ذات الصلة ضرورية أيضًا. يمكن لفريق البحث والتطوير تقديم الحل الأكثر فعالية من حيث التكلفة وفقًا لاحتياجات العملاء.
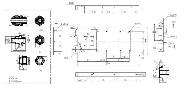
قام فريق البحث والتطوير بتصميم خطة تبديد الحرارة، أي تصميم لوحة تبريد المياه وتحديد تفاصيل الخطة مع العميل. يقوم المهندسون بتصميم محاكاة للتصميم الهيكلي للمنتج (أساسًا وصلات الألواح المبردة بالماء)، وتأكيد محاكاة الحرارة، ومواد المنتج، ومعالجة الأسطح وعمليات التصنيع. لضمان متطلبات التثبيت والصيانة والتنوع وحماية البيئة للمنتج، وصياغة معايير ومواصفات التفتيش ذات الصلة.

تحدد معلمات تصميم التبريد مقاومة المواد والتدفق للوحة الباردة وحجم السائل وكثافته. يجب تلخيص تصميم ونتائج محاكاة تبديد الحرارة، بما في ذلك سرعة القسم ودرجة الحرارة ومسار التدفق والتغيرات في الضغط والتغيرات في درجة حرارة القشرة. يوفر حل تبديد حرارة تبريد الماء أيضًا خيارات المفاصل وخطوط الأنابيب.

إنتاج العينة بعد تمرير تصميم اللوحة الباردة. يظهر أن الخطة الشاملة تدخل جلسة الاختبار. يتم التواصل عن كثب مع العملاء لعملية الاختبار، ويتم إجراء التعديلات والتعديلات وفقًا للوضع الفعلي حتى الوصول إلى متطلبات العميل.




بعد اجتياز الاختبار، يتم تعبئتها وشحنها وفقًا لمتطلبات التغليف الخاصة بالعميل. إنشاء قاعدة بيانات للعملاء، وسوف نتعامل مع حالات الطوارئ المختلفة في الوقت المناسب، وتخفيف مخاوف العملاء.
هل أنت واضح بشأن عملية لوحة تبريد المياه المخصصة ؟ إذا كان لديك أي أسئلة أخرى حول لوحة التبريد أو كنت بحاجة إلى حل تبريد للوحة التبريد الخاصة بك، فلا تتردد في ترك تعليق أو إرسال بريد إلكتروني للاتصال بـ Winshare.